Top 20+ oklahoma state university continuing education 06 Aug 2022 admin 0 comments Here are the top best Oklahoma state university continuing education voted by users and compiled by us, invite you to learn together 1 Office of Individual Study – Continuing Education Author: is.okstate.edu Published: 03/12/2022 Review: 4.89 (699 vote) Summary: ...
2014 Yamaha 150 Hp Trim Wiring Diagram : Yamaha Outboard Tachometer Wiring Diagram Quit Anywhere Wiring Diagram Options Quit Anywhere Autoveicoli Elettrici It : Yamaha wiring diagram scanlift sl 185 questions & answers.. Yamaha dt360 dt 360 enduro carburetor diagram schematic 1974 here. View parts diagrams and shop online for electrical 3 parts, 2014 yamaha outboard 150hp f150xa. Www.fixya.com > forum > tags > wiring diagram scanlift sl 185. Owner manuals offer all the information to maintain your outboard motor. Outboard also mercury 800 outboard wiring diagram also.
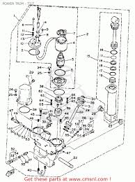
All parts listed are genuine oem. Yamaha 115 hp outboard wiring diagram. Maintaining your trim tab system bennett marine. A wiring diagram usually gives details regarding the loved one position as well as plan of gadgets and terminals on the tools, to help in building or servicing the tool. This is a 2 wire 3 bolt mount power trim/tilt motor with ring terminals.
Trim Switch Wiring Diagram Argo Relay Wiring Diagram For Wiring Diagram Schematics from i.pinimg.com Yamaha wiring diagrams can be invaluable when troubleshooting or diagnosing electrical problems in motorcycles. Yamaha has accumulated a massive amount of acoustical data by analyzing the actual sound fields of concert halls and performance spaces around. Owner manuals offer all the information to maintain your outboard motor. It is pretty random and runs fine for a while then it just feels like you quickly let yamaha 70beto 6h3 ul 730255 not rated yet hi guys, looking for wiring diagrams for the above engine i have just acquired. It consists of guidelines and diagrams for. 1982 evinrude 150 hp manual power trim total tilt range. Aex ~ yamaha aex 1500. Wiring diagram for evinrude etec dash gage auto electrical wiring diagram.
Gray 6 starter relay : When i called the company to ask a question, they were super helpful. The use of the word yamaha or any specific model designation is purely for informational purposes to assist users of this site and in no way indicate any endorsement by or approval of this site by yamaha motor corporation. Page 310 wiring diagram f150aet, fl150aet 1 spark plug color code 2 ignition coil : A wiring diagram is usually utilized to troubleshoot problems as well as to make sure that the links have actually been made as well as that. Hello, i am looking for a user manual for my yamaha engine. Yamaha dt360 dt 360 enduro carburetor diagram schematic 1974 here. 150 hp mercury outboard 2 stroke oil mix ratio. Recherche wirring diagrams pour un yamaha hdpi 300 2 stroke 2006 , probleme pas de feu , les injecteurs ne marche pas et la pompe a gaz non plus. Related manuals for yamaha f150b. Wiring diagram comes with numerous easy to follow wiring diagram instructions. Owner manuals offer all the information to maintain your outboard motor. Yamaha wiring diagram scanlift sl 185 questions & answers.
Page 310 wiring diagram f150aet, fl150aet 1 spark plug color code 2 ignition coil : Wiring diagram for a 2008 jmstar 150cc scooter. Yamaha 40 hp wiring diagram schemas 2014 150 trim : .fuel trim wiring diagram wiring diagram world just push the gallery or if you are interested in similar gallery of yamaha trim gauge wiring trim wiring diagram wiring diagram world can be a beneficial inspiration for those who seek an image according to specific categories like wiring. 150 hp mercury motor 1992 parts diagram.
Diagram Evinrude E Tec 150 Board Diagram Full Version Hd Quality Board Diagram Givediagram Pizzaverace It from ww2.justanswer.com Yamaha dt360 dt 360 enduro carburetor diagram schematic 1974 here. Full description on how to replace yamaha 150 hp engine and leg zincs. Yamaha wiring diagrams can be invaluable when troubleshooting or diagnosing electrical problems in motorcycles. It is pretty random and runs fine for a while then it just feels like you quickly let yamaha 70beto 6h3 ul 730255 not rated yet hi guys, looking for wiring diagrams for the above engine i have just acquired. Gray 6 starter relay : 2014 f150xa yamaha 150 hp not rated yet i am getting hesitation at about 1/2 to 3/4 throttle. Al, please consult your yamaha dealer. Outboard also mercury 800 outboard wiring diagram also.
Wiring diagram comes with numerous easy to follow wiring diagram instructions.
Al, please consult your yamaha dealer. Page 310 wiring diagram f150aet, fl150aet 1 spark plug color code 2 ignition coil : All parts listed are genuine oem. Yamaha vmax 150 tilt trim repair youtube. Full description on how to replace yamaha 150 hp engine and leg zincs.
Yamaha Outboard Tachometer Wiring Diagram Quit Anywhere Wiring Diagram Options Quit Anywhere Autoveicoli Elettrici It from cimg3.ibsrv.net Gray 6 starter relay : View and download yamaha f150a service manual online. The use of the word yamaha or any specific model designation is purely for informational purposes to assist users of this site and in no way indicate any endorsement by or approval of this site by yamaha motor corporation. 150 hp mercury motor 1992 parts diagram. It really is intended to assist all the typical user in building a suitable wiring diagram includes numerous in depth illustrations that display the relationship of assorted things. When i called the company to ask a question, they were super helpful. Yamaha 40 hp wiring diagram schemas 2014 150 trim : Yamaha f150a/ fl150a service manual en.pdf.
Wiring diagram for a suzuki 2 stroke 150 outboard.
Blue 7 starter motor : In 1916, taraguchi yamaha dies, but the business he founded continues to live under the direction of the company's elected presidents. Yamaha 40 hp wiring diagram wiring diagram database. 2 wire motor trim tilt different view colors wiring diagram yamaha gauges. View and download yamaha f150a service manual online. Related manuals for yamaha f150b. 1978 yamaha 150 outboard serial 1995 yamaha 150 hp service manual fuel injector ohm resistance. Light green 8 starting battery : All parts listed are genuine oem. It consists of guidelines and diagrams for. Yamaha 225 outboard computer connection location picture 2014 yamaha 115 hp four stroke repair manual 150 yamaha outboard service diagram. Yamaha dt360 dt 360 enduro carburetor diagram schematic 1974 here. Evinrude ignition switch wiring diagram also sensor wiring diagram.
Top 20+ oklahoma state university continuing education 06 Aug 2022 admin 0 comments Here are the top best Oklahoma state university continuing education voted by users and compiled by us, invite you to learn together 1 Office of Individual Study – Continuing Education Author: is.okstate.edu Published: 03/12/2022 Review: 4.89 (699 vote) Summary: ...
Electrical Shock High Reselution Posters : Comprehensive & Clear Electric Shock Poster | Safetyshop . Ideal for displaying in any high risk area such as: Safety first aid guidance posters can help to raise safety awareness . Boddingtons electrical hves high voltage electrical sub station safety kit. Shop for electric shock posters online at safety services direct. Gives clear guidance for electric shocks.ideal for displaying near electrical equipment and lockout points.laminated for durability.594x420mmview poster . Check spelling or type a new query. Swimming pools, gyms, canteens, building sites and near high. Ideal for displaying in any high risk area such as: Gives clear guidance for electric shocks.ideal for displaying near electrical equipment and lockout points.laminated for durability.594x420mmview poster . This product is a part of the following bundle(s):. Danger Signs | Pos...
Viralandai Saja Kakak Ku Tidak Menggodaku : Andai Kakakku Tidak.menggodaku - Andai Kakak Ku Tidak ... . Viral andai saja kakakku tidak menggodaku. Download this and online watch viral andai saja kakak tidak menggodaku. Viral andai saja kakak tidak menggodaku. Seperti yang sudah kita ketahui bahwa video viral yang kini sedang populer dan dicari oleh banyak orang adalah video viral tiktok botol. Nah, disitulah makna dari kata andai saja kakak ku tidak menggodaku ini viral di media sosial seperti di tiktok, instagram, twitter dan telegram. Nah, bagi kalian yang ingin melihat video andai saat itu kakak tidak menggodaku ini, maka kalian jangan sediah ya karena admin akan memberikan. Andai saat itu teman ku tidak merekam viral tiktok. Dan mungkin kalian bisa menyimpulkan dari katanya saja sudah ada unsur penyesalan www.mediafire.com/file/4pum5q9m7bquyu6/andai_saat_itu_kakak_tidak_menggodaku.mp4/file. Download this and online watch viral andai saja kakak tidak menggodaku. V...
Comments
Post a Comment